联系人:薛经理
销售电话:15689257565
公司地址:山东省潍坊市高新区光电路155号光电产业加速器(一期)
15689257565
PRODUCT CENTER
联系人:薛经理
销售电话:15689257565
公司地址:山东省潍坊市高新区光电路155号光电产业加速器(一期)






【产品简介】一、大气电场仪应用环境说明大气电场仪是一种高精度的雷电监测与预警设备,能够实时监测大气中的电场变化,精准捕捉雷电活动的踪迹,为雷电灾害的防范提供有力支持。在气象监测领域,大气电场仪···
一、大气电场仪应用环境说明
大气电场仪是一种高精度的雷电监测与预警设备,能够实时监测大气中的电场变化,精准捕捉雷电活动的踪迹,为雷电灾害的防范提供有力支持。
在气象监测领域,大气电场仪可广泛应用于气象台站,对区域内的雷电活动进行连续、不间断的监测,为天气预报和气象灾害预警提供关键数据。通过对大气电场变化的分析,气象部门能够提前预测雷电天气的发生概率、强度和发展趋势,及时发布雷电预警信号,为社会公众、航空、航海等行业的安全运行提供重要参考依据。
对于各类易受雷击的场所,如石油化工企业、通信基站、电力设施、高层建筑等,大气电场仪可作为雷电防护的重要监测工具。在这些场所周边安装大气电场仪,能够实时掌握周边大气电场的动态变化,当监测到大气电场强度超过预设的阈值时,及时触发警报,提醒工作人员采取相应的防护措施,如停止户外作业、关闭关键设备等,从而有效降低雷电灾害对人员生命安全和设备设施造成的损失。
此外,在农业、林业等行业领域,大气电场仪也具有一定的应用价值。在农业生产中,提前获知雷电天气信息有助于合理安排农事活动,避免因雷电天气导致的农作物损失,同时也有利于保障农业作业人员的安全。在林业方面,可利用大气电场仪监测雷电活动,预防雷击引发的森林火灾,为森林资源的保护提供保障。
二、大气电场仪技术性能和规格
1.技术参数
| 量程 | -100kv/m——100kv/m |
| 精度 | ±0.001%F.S |
| 响应时间 | 3s |
| 外壳材质 | 6061铝合金 |
| 供电电压 | 12VDC(0.5W@12V) |
| 通讯方式 | Modbus-485 |
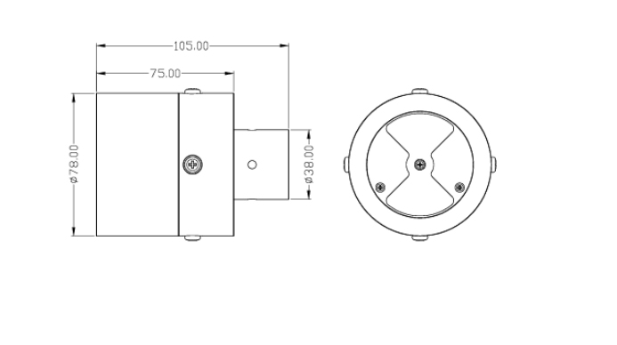
2.大气电场仪尺寸图

三、大气电场仪安装和电气连接
1.安装
1.1:本产品属于较精密仪器,应该避免摔落冲击等现象。
1.2:设备避免高温,注意防水,防结冰;
1.3:开箱后的仪器应当保存在干燥、通风及无腐蚀性气体的场所,搬运时应小心轻放,切忌剧烈振动。灰尘、潮湿以及剧烈的温度变化会影响本产品的使用寿命,因此避免放置在这些地方。
使用时设备应有良好的接地
2.电气安装
线缆为4芯屏蔽线,线序定义:
1-红色-电源线(12~24VDC)
2-蓝色-地线(GND)
3-绿色-485B
4-黄色-485A







校园气象站是由学校设立的小型气象观测设施。它通常安装在操场或教学楼顶等开阔场地,用于监测校园及周边区···
农业气象站是现代农业生产的重要技术装备,它通过集成多种传感器,持续采集田间小气候数据。
农业四情监测指对墒情、苗情、虫情、灾情的综合监测。这一体系依托智能设备实现数据采集,已成为精准农业的···
便携式气象站是现代气象监测技术的重要成果。这种集成了多种传感器的设备能够实时采集温度、湿度、气压、风···
