联系人:薛经理
销售电话:15689257565
公司地址:山东省潍坊市高新区光电路155号光电产业加速器(一期)
15689257565
PRODUCT CENTER
联系人:薛经理
销售电话:15689257565
公司地址:山东省潍坊市高新区光电路155号光电产业加速器(一期)

【产品简介】一、甲醛传感器技术参数型号测量参数测量范围精度分辨率单位工作温度工作湿度QT1一氧化碳0-1000PPM±2PPM1PPMPPM-20℃-+50℃10-95%RH无冷凝QT1S0-···
一、甲醛传感器技术参数
| 型号 | 测量参数 | 测量范围 | 精度 | 分辨率 | 单位 | 工作温度 | 工作湿度 |
| QT1 | 一氧化碳 | 0-1000PPM | ±2PPM | 1PPM | PPM | -20℃-+50℃ | 10-95%RH无冷凝 |
| QT1S | 0-20PPM | ≤±5% | 0.01PPM | PPM | -20℃-+50℃ | 10-95%RH无冷凝 | |
| QT2 | 二氧化硫 | 0-20PPM | ±1PPM | 0.1PPM | PPM | -20℃-+50℃ | 10-95%RH无冷凝 |
| QT2S | 0-1PPM | ≤±5% | 0.001ppm | PPM | -20℃-+50℃ | 10-95%RH无冷凝 | |
| QT3 | 二氧化氮 | 0-20PPM | ±1PPM | 0.1PPM | PPM | -20℃-+50℃ | 10-95%RH无冷凝 |
| QT3S | 0-1PPM | ≤±5% | 0.001ppm | PPM | -20℃-+50℃ | 10-95%RH无冷凝 | |
| QT4 | 臭氧 | 0-20PPM | ±1PPM | 0.1PPM | PPM | -20℃-+50℃ | 10-95%RH无冷凝 |
| QT4S | 0-1PPM | ≤±5% | 0.001ppm | PPM | -20℃-+50℃ | 10-95%RH无冷凝 | |
| QT5 | 氧含量 | 0~30%VOL | ±3%FS | 0.1%VOL | VOL | -20℃-+50℃ | 5-95%RH 无冷凝 |
| QT6 | 负氧离子 | 0~10万 个/cm³ | ±10% | 10个/cm³ | 个/cm³ | +10℃-+70℃ | 10-70%RH无冷凝 |
| QT7 | 硫化氢 | 0-100PPM | ±2PPM | 1PPM | PPM | -20℃-+50℃ | 10-95%RH无冷凝 |
| QT8 | 甲烷 | 0-100%LEL | ≤±3% | 1%LEL | LEL | -20℃-+50℃ | 10-95%RH无冷凝 |
| QT9 | TVOC | 0-100PPM | 55±15 nA/ppm | 1PPM | PPM | -20℃-+50℃ | 10-95%RH无冷凝 |
| QT10 | 氨气 | 0-100PPM | ±4PPM | 1PPM | PPM | -20℃-+50℃ | 10-95%RH无冷凝 |
| QT11 | 一氧化氮 | 0-250PPM | -2~10PPM | 1PPM | PPM | -20℃-+50℃ | 10-95%RH无冷凝 |
| QT12 | 甲醛 | 0-10PPM | <1PPM | 0.1PPM | PPM | -20℃-+50℃ | 10-95%RH无冷凝 |
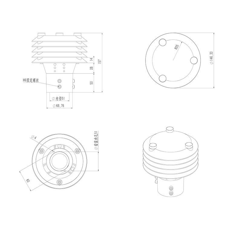
二、甲醛传感器产品尺寸图

土壤墒情监测站是现代农业生产的关键设施,它通过自动化方式实时获取土壤水分信息,为农业灌溉和水资源管理···
微气象仪是专门用于测量微小尺度范围内气象要素的仪器,致力于捕捉特定局部环境中的精确气候条件。
雨量监测站是现代水文气象观测网络的关键组成。其核心任务是精准、自动地测量自然界的降水数据。这些数据是···
雷电预警系统通过综合运用多种探测技术,实现对雷电活动的实时监测,主要依赖电磁场探测、卫星云图分析和大···
